Bed Light Switch F150 . The lights will illuminate when you open. 2016 f150 screw 302a package. What you see in the. Main wiring harness with relay and. I have the bed lights but no switch in the bed itself. 2 bed lights with wiring harness. be able to see in your truck bed with this bed illumination kit.
from www.f150forum.com
2016 f150 screw 302a package. be able to see in your truck bed with this bed illumination kit. What you see in the. I have the bed lights but no switch in the bed itself. Main wiring harness with relay and. 2 bed lights with wiring harness. The lights will illuminate when you open.
LED backup lights connected to switch for cargo and bed lights Ford
Bed Light Switch F150 be able to see in your truck bed with this bed illumination kit. 2016 f150 screw 302a package. I have the bed lights but no switch in the bed itself. The lights will illuminate when you open. be able to see in your truck bed with this bed illumination kit. Main wiring harness with relay and. What you see in the. 2 bed lights with wiring harness.
From store.ijdmtoy.com
LED Truck Bed Light Assembly Kit For Ford 15up F150, 1722 Raptor or Bed Light Switch F150 Main wiring harness with relay and. 2016 f150 screw 302a package. 2 bed lights with wiring harness. The lights will illuminate when you open. What you see in the. I have the bed lights but no switch in the bed itself. be able to see in your truck bed with this bed illumination kit. Bed Light Switch F150.
From mekhoto.blogspot.com
2018 F150 Bed Light Switch See More on Mekanikal Home Tool Bed Light Switch F150 What you see in the. I have the bed lights but no switch in the bed itself. be able to see in your truck bed with this bed illumination kit. 2 bed lights with wiring harness. Main wiring harness with relay and. The lights will illuminate when you open. 2016 f150 screw 302a package. Bed Light Switch F150.
From store.ijdmtoy.com
LED Truck Bed Light Assembly Kit For Ford 15up F150, 1722 Raptor or Bed Light Switch F150 2 bed lights with wiring harness. What you see in the. Main wiring harness with relay and. The lights will illuminate when you open. be able to see in your truck bed with this bed illumination kit. I have the bed lights but no switch in the bed itself. 2016 f150 screw 302a package. Bed Light Switch F150.
From www.f150forum.com
LED backup lights connected to switch for cargo and bed lights Ford Bed Light Switch F150 The lights will illuminate when you open. be able to see in your truck bed with this bed illumination kit. I have the bed lights but no switch in the bed itself. 2 bed lights with wiring harness. Main wiring harness with relay and. 2016 f150 screw 302a package. What you see in the. Bed Light Switch F150.
From www.f150forum.com
LED backup lights connected to switch for cargo and bed lights Ford Bed Light Switch F150 be able to see in your truck bed with this bed illumination kit. 2016 f150 screw 302a package. What you see in the. 2 bed lights with wiring harness. The lights will illuminate when you open. I have the bed lights but no switch in the bed itself. Main wiring harness with relay and. Bed Light Switch F150.
From www.f150forum.com
Illuminated Bed Light Switch Ford F150 Forum Community of Ford Bed Light Switch F150 be able to see in your truck bed with this bed illumination kit. 2 bed lights with wiring harness. Main wiring harness with relay and. What you see in the. I have the bed lights but no switch in the bed itself. The lights will illuminate when you open. 2016 f150 screw 302a package. Bed Light Switch F150.
From www.f150forum.com
Bed light switch and bed extender Ford F150 Forum Community of Ford Bed Light Switch F150 I have the bed lights but no switch in the bed itself. The lights will illuminate when you open. be able to see in your truck bed with this bed illumination kit. 2016 f150 screw 302a package. 2 bed lights with wiring harness. What you see in the. Main wiring harness with relay and. Bed Light Switch F150.
From www.f150forum.com
LED bed lights, do we have switches on both sides? Page 2 Ford F150 Bed Light Switch F150 2 bed lights with wiring harness. Main wiring harness with relay and. I have the bed lights but no switch in the bed itself. 2016 f150 screw 302a package. be able to see in your truck bed with this bed illumination kit. What you see in the. The lights will illuminate when you open. Bed Light Switch F150.
From www.f150forum.com
Bed light switch Page 2 Ford F150 Forum Community of Ford Truck Fans Bed Light Switch F150 be able to see in your truck bed with this bed illumination kit. I have the bed lights but no switch in the bed itself. The lights will illuminate when you open. What you see in the. 2016 f150 screw 302a package. 2 bed lights with wiring harness. Main wiring harness with relay and. Bed Light Switch F150.
From www.f150forum.com
Bed light switch and bed extender Ford F150 Forum Community of Ford Bed Light Switch F150 The lights will illuminate when you open. 2016 f150 screw 302a package. What you see in the. I have the bed lights but no switch in the bed itself. 2 bed lights with wiring harness. be able to see in your truck bed with this bed illumination kit. Main wiring harness with relay and. Bed Light Switch F150.
From www.f150forum.com
Bed light switch and bed extender Ford F150 Forum Community of Ford Bed Light Switch F150 The lights will illuminate when you open. I have the bed lights but no switch in the bed itself. 2 bed lights with wiring harness. What you see in the. 2016 f150 screw 302a package. be able to see in your truck bed with this bed illumination kit. Main wiring harness with relay and. Bed Light Switch F150.
From www.f150lightningforum.com
XLT OEM Bed Lights Install Page 9 Ford Lightning Forum For F150 Bed Light Switch F150 2016 f150 screw 302a package. The lights will illuminate when you open. be able to see in your truck bed with this bed illumination kit. What you see in the. 2 bed lights with wiring harness. Main wiring harness with relay and. I have the bed lights but no switch in the bed itself. Bed Light Switch F150.
From www.youtube.com
How to Install Truck Bed LED Lights / with Cabin Switch YouTube Bed Light Switch F150 Main wiring harness with relay and. The lights will illuminate when you open. be able to see in your truck bed with this bed illumination kit. 2016 f150 screw 302a package. What you see in the. 2 bed lights with wiring harness. I have the bed lights but no switch in the bed itself. Bed Light Switch F150.
From mekhoto.blogspot.com
2018 F150 Bed Light Switch See More on Mekanikal Home Tool Bed Light Switch F150 be able to see in your truck bed with this bed illumination kit. What you see in the. I have the bed lights but no switch in the bed itself. 2 bed lights with wiring harness. The lights will illuminate when you open. Main wiring harness with relay and. 2016 f150 screw 302a package. Bed Light Switch F150.
From www.ebay.com
Rear Cargo Bed Lamp Light Switch Assy Fit For Ford F150 F250 F350 Bed Light Switch F150 2016 f150 screw 302a package. I have the bed lights but no switch in the bed itself. 2 bed lights with wiring harness. What you see in the. be able to see in your truck bed with this bed illumination kit. Main wiring harness with relay and. The lights will illuminate when you open. Bed Light Switch F150.
From repairmachineuzmahujp4.z22.web.core.windows.net
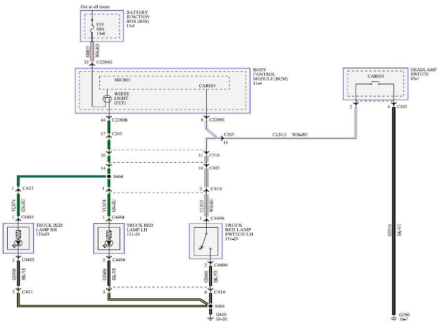
2022 Ford F150 Bed Lights Bed Light Switch F150 Main wiring harness with relay and. The lights will illuminate when you open. I have the bed lights but no switch in the bed itself. 2016 f150 screw 302a package. 2 bed lights with wiring harness. be able to see in your truck bed with this bed illumination kit. What you see in the. Bed Light Switch F150.
From www.f150forum.com
For anyone works on wiring aftermarket bed lights on 2018+ trucks Bed Light Switch F150 The lights will illuminate when you open. I have the bed lights but no switch in the bed itself. 2016 f150 screw 302a package. What you see in the. be able to see in your truck bed with this bed illumination kit. Main wiring harness with relay and. 2 bed lights with wiring harness. Bed Light Switch F150.
From www.f150forum.com
After Market 12V Port instead of Bed Light Switch Ford F150 Forum Bed Light Switch F150 be able to see in your truck bed with this bed illumination kit. Main wiring harness with relay and. 2 bed lights with wiring harness. The lights will illuminate when you open. 2016 f150 screw 302a package. I have the bed lights but no switch in the bed itself. What you see in the. Bed Light Switch F150.